产品展示

57系列两相步进电机驱动器


57系列两相步进电机驱动器

 

产品特性

a.jpg


高性价比,高速力矩大

单电源输入,电压范围DC24~50V

输出电流1.0A~4.2A,八档可调

微步细分数15档可调,最大步数25600步/转

独特的控制电路,有效降低运行噪音及电机发热

输入信号TTL兼容且光电隔离

具有自动半流、过压、欠压、短路保护等功能

脱机(ENA)保护功能

适配4.2A以下,外径42~85mm的两相步进电机


电气性能


供电电源    DC24V~50V(推荐使用在DC36V)

输出电流    电流4.2A/相(由面板拔码开关设定)

绝缘电阻    在常温下﹥500MΩ
绝缘强度    在常温常压下0.5KV,1分钟
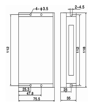
外形尺寸    118×75.5×34mm
 重   量           约0.3kg

注意事项

外形尺寸

1、驱动器安装时应保证设备的通风良好,建议使用侧面立式安装;机柜内有多个驱动器并列使用时保证相互之间的距离不小于5CM。当驱动器温度超过70度后,请另加散热器辅助散热。
2、为了确保使用安全,请务必将驱动器的接地保护端子的接地保护端子与设备保护地良好连接。
3、驱动器发生故障后,故障指示灯亮,请重新检查外围接线,需要重新上电,可使驱动器恢复工作。

44.png
上一个产品:没有了!